Perfis
Perfis com ponteira
Cabideiro
Perfil Para Porta
Perfil Para Portão
Perfil Tubular
Puxador
Testeira
Travessa
Trilho
Iluminação
Fita de led
Fonte
Interruptor
Spot
Tomada
Sobre nós
Representantes
Contato
2ª via de boleto
Consultar NFE
Itaú
Sicredi
Pintura cinza
A fosco
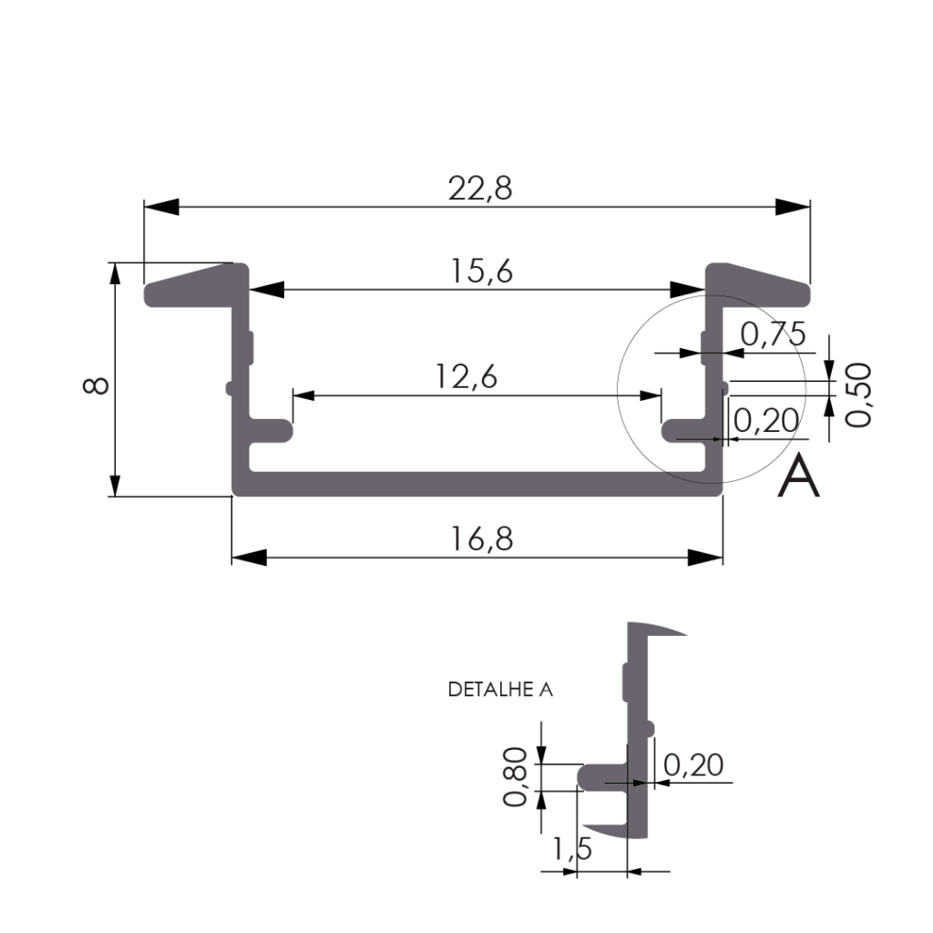
Perfil para fita de led RX1069 com aba
Aplicação:
Perfil para fita de led
Categoria:
Iluminação
,
Perfil para fita de led
,
Perfil para fita de led
,
Perfis
,
Perfis com ponteira
outros produtos
Perfil para fita de led RX04
Perfil para fita de led RX1068 sem aba
Menu